順序閥型號說明SV-03/06/10/SVC-03/06/10
順序閥動作型式說明SV-03/06/10/SVC-03/06/10
順序閥性能圖SV-03/06/10/SVC-03/06/10
順序閥性能SV03/06/10/SVC-03/06/
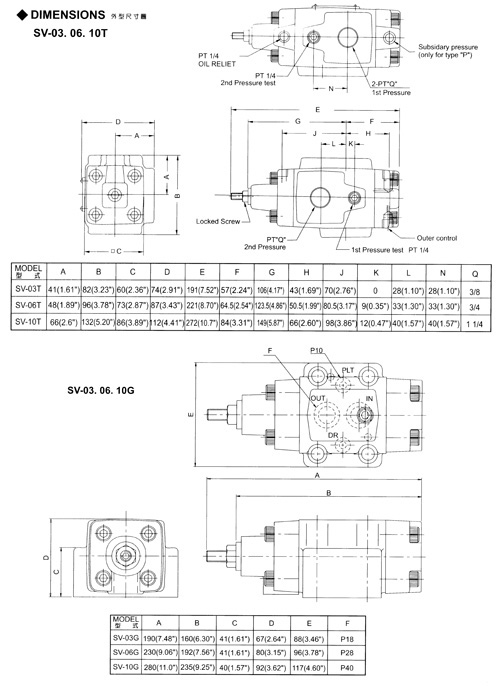
順序閥尺寸圖SV-03/06/10/SVC-03/06/10
順序閥尺寸圖SV-03/06/10/SVC03/06/10
順序閥基座尺寸SV-03/06/10/SVC-03/06/10