


滿油閥(充液閥)型號說明PF-50/80/90/100/125/150/200

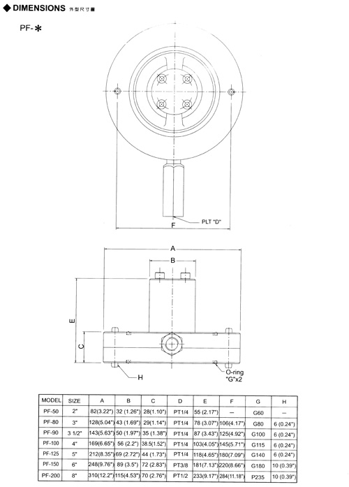
滿油閥(充液閥)尺寸圖PF-50/80/90/100/125/150/200

滿油閥(充液閥)尺寸圖PF-50/80/90/100/125/150/200-01

滿油閥(充液閥)尺寸圖PF-50/80/90/100/125/150/200-02

滿油閥(充液閥)尺寸圖PF-50/80/90/100/125/150/200-03

滿油閥(充液閥)爆炸圖PF-50/80/90/100/125/150/200

滿油閥(充液閥)型號說明SG-16/24/32

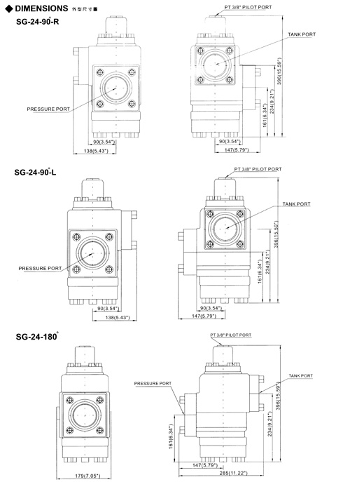
滿油閥(充液閥)尺寸圖SG-16/24/32

滿油閥(充液閥)尺寸圖SG-16/24/32-01
遼公網(wǎng)安備 21030202000215號